Digitenna

Nachfolgend eine weitere Form der Fuchs Antenne. Ich habe dieses Konzept schon einmal gebaut. Hier nun eine andere Variante. Der Wickelkörper ist ein 3D Druck Modell das man auf printables.com erhalten kann.


Fuchs Antenna on Wire Drum

Below is another form of the Fuchs antenna. I've built this concept before. Here's a different version. The coiled body is a 3D printed model that can be obtained from printables.com
 
Der Aufbau der Antenne ist vom Autor auf einem YT Video gut dokumentiert. In dem Video ist das Wickelverhältnis des Trafos schwer zu erkennen. 3 Primärwindungen die dann 20 Sekundärwindingen übertragen werden. Das Übersetzungs Verhältnis ist daher irgendwo zwischen 1:49 und 1:64.

Zunächst habe ich den Ringkern mit Teflonband isoliert um allfälligen Beschädigungen des Kupferlacks vorzubeugen. Die Spannungen im Fuchskreis können hoch werden. Die Antenne ist Endgespeist, also im Spannungsbauch.
Assembly of this antenna is documented in a slide deck of OE1WBS. Here is the report of my assembly:

First of all I insulated the core with teflon tape. It should avoid shortcuts if the wire insulation gets damaged. Voltage in the Fuchs circuit is usually high. The end fed antenna is connected at the voltage high.

kern
X

Kern FT-82-43

Kern

Kern

 
Den Kern habe ich mit 3:24 Windungen bewickelt. Im Gegensatz zum Autor des 3D Druckmodells habe ich die Wundungen umlaufen ohne der Querung bewickelt weil so der Konflikt mit mit mittleren Anschluß am BNC Stecker vermieden wird. Der Kern selbst wurde vor dem Bewickeln mit 0,4mm Draht mit einem Teflonband geschützt. Das isoliert einerseits falls der Draht beim Wickeln eine Beschädigung hat und sorgt für mehr Reibung beim Wickeln uns sicheren Sitz des Dahtes. Das Teflonband ist ein handelsübliches Band das auch im Sanitärbereich benutzt wird.
I wound the core with 3 turns and 24 turns. Unlike the author of the 3D printed model, I wound the wire around the perimeter without crossing it, because this avoids the conflict with the center pin on the BNC connector. The core itself was protected with Teflon tape before being wound with 0.4mm wire. This insulates in case the wire is damaged during winding and ensures more friction during winding and a secure fit of the wire. The Teflon tape is a commercially available tape also used in plumbing.

bewickelt
X

Der Transformator hat 3:24 Windungsverhältnis

bewickelt

Transformator fertig aufgebaut


Schaltung
X

Wickelschema

Schaltung

Wickelschema

 
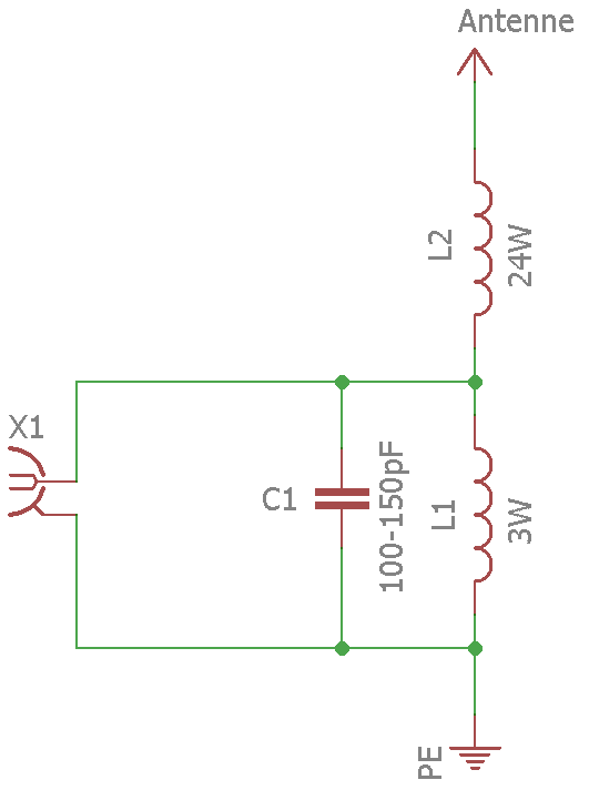
Die Schaltung ist ein Klassiker, ein Transformator am Kern 64:1 Impedanz Konvertierung um die hohe Impedanz anzupassen. Die Impedanztransformation erfolgt nach dem Quadrat der Windungsverhältnisse hier 3:24 ->1:8. Eine Endgespeiste Antenne in λ1/2 oder λ12/3 hat üblicherweise etwa 2kΩ. Der Kondensator bewirkt einen breiteren niedrigen SWR Verlauf. Der Kondensator sollte zumindest 1kV Spannungsfestigkeit haben.
The circuit is a classic design. The transformer on a core offers 64:1 impedance transformation. The transformation follows the power of the winding ratio. Here 3:24 -> 1:8. An end fed antenna usually in λ1/2 or λ2/3 has an impedance of 2kΩ. The small capacitor gets you a wider usage with low SWR. The Capacitor should have at least 1kV rating.

Schaltung
X

Fuchskreis Schaltung

Schaltung

Fuchskreis Schaltung


3D
X

die nötigen 3D Druckteile habe ich in verschiedenen Farben ausgeführt

3D

3D Druck Teile

 
Für den Strahler habe ich den vorhandenen DX Wire Draht genutzt und gleich gute 25m auf die Trommel gewickelt. Es handelt sich um einen speziellen Antennendraht von DX Wire mit der Bezeichnung DX-WIRE "UL".

Der Draht hat 7 Liezen und eine spezielle Kunststoffseele die aus reißfestem Material bestehen. Damit ist der Draht sehr leicht aber dennoch reißfest.

Die 25m sind weit mehr als geplant, das werde ich noch etwas einkürzen wobei ich noch überlege bei welchem Band ich anfange die Antenne zu betreiben. Mit etwa 20m wäre das 40m Band und alle resonaten darüber gut versorgt.
I used my DX Wire wire for the antenna. I did about 25m into the box. It is a special wire from DX Wire with the name DX Wire "UL".

The Wire has 7 wires and a special fiber stuff. It offers special strength. So the antenna is light but allows quite a force.

The 25m is far more than planned; I'll shorten it a bit, although I'm still considering which band to start operating the antenna on. With about 20m, the 40m band and all resonant frequencies above it would be well covered.

fertig
X

auf die Spule passen 25m von dem Keflar-Draht mehr als notig, die Spule ist also groß genug

fertig

fertige Atenne



 

© OE1IAH 2019ff site wide page calls since 2019-06-09: 7.371.326

published on: 2026 03 27