Einstellbare Antenne

Diese Antenne stammt aus China wird um €50,- bis €60,- auf online Plattformen verkauft. Die kleine kompakte Bauform hat mich zugreifen lassen.

Adjustabe Antenna

This antenna is sold in China. It sells for €50,- to €60,-. The compact small size triggered my attention.

Dipol
X

kompakte QRP Antenne für Kurzwelle


Dipol

Antenne

 
Die Antenne hat einen Drehkondensator zur Frequenz Einstellung, und einen Schalter zur Auswahl hoher und niedriger Bänder. Die Verbindungen sind als BNC Kupplungen ausgeführt.

Der Frequenzbereich wird von 5MHz bis 22MHz angegeben. Somit 40m bis 15m abgedeckt. Leistung 20W PEP somit sollte man mehr als 10W Dauerstrich dem Ding besser nicht zumuten. Die 10W sind aber gut zu µSDX, QCX und sogar dem IC705 passend.
The antenna has an adjustable capacitor to define the frequency. There is a switch to preselect low and high bands. The antenna uses BNC connectors.

The frequency range is specified with 5MHz to 22MHz. This coveres 40m to 15m. The power rating is specified with 20W PEP. So I expect that 10W continous will be good enough. This fits perfectly to a µSDX, QCX or an IC705.
 
In der Anpassungskiste ist nicht viel zu sehen. Übertrager und Kondensator um die Impetanz einigermaßen hin zu bekommen. Gut wird die Antenne dadurch natürlich auch nicht.
The inside of the box does not show that much. There is a transformer and a capacitor. Just to transform the impetance. I don't expect that the antenna will me realy good.

Adapter
X

das Innenleben kann man nur erahnen


Adapter

Innenleben


Gehäuse
X

Gehäuse


Gehäuse

Gehäuse


Teleskopstab
X

der Strahler in einer Diamond Verpackung


Teleskopstab

Teleskopstab

 
Die SWR Messungen waren überraschend für mich. Werde die Antenne bei den nächsten SOTA Wanderungen ausprobieren.
I'm quite impressed about the SWR readings of the antenns. I'm looking forward to test it in real live during one of the upocomming SOTA activations.

Teleskopstab
X

SWR um 40m Band


Teleskopstab

SWR 7MHz


Teleskopstab
X

SWR um 20m Band


Teleskopstab

SWR 14MHz

 
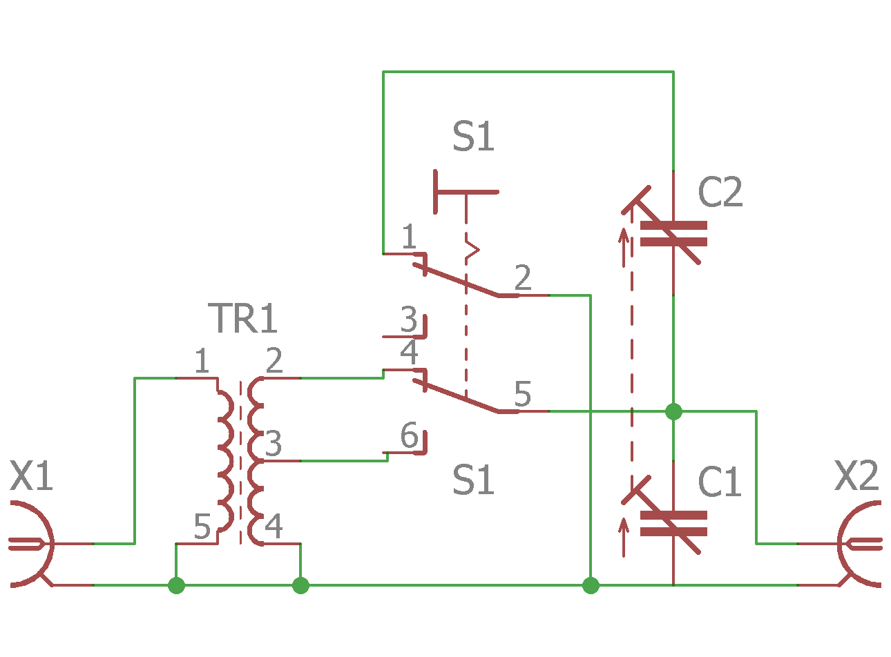
Die Schaltung der Anpassbox scheint in etwa das folgende Bild zu zeigen. Der vergossene Ringkern Übertrager macht das ein wenig schwierig. Ich habe versucht die Masse mit 400°C Heißluft aufzuschmelzen das ging nicht.

Vom BNC Anschluß führt eine Wichlung 2 oder 3 Windungen über den Übertrager. Die Sekundärseite hat eine Anzapfung die mit dem Drehkondensator einen Schwingkreis bildet. Durch verstellen des Kondensators kann man die Resonanz einstellen. Wie man in den SWR Bildern oben sehen kann ist die Antenne schmalbandig. Beim Durchwandern eines Bandes muß man gelegentlich nachstellen um bessere Werte zu bekommen. Die Teleskopantenne ist am heißen Ende des Übertragers angeschlossen.
The circuit of the matching box is shown in the picture underneath. The casted transformer makes it a bit difficult to reengineer the diagram. I tried to heat it up to 400°C via hot air. The material did not move.

From the BNC socket there are 2 or 3 windings on the transformer. the secondary side has a trap which is selected with the switch. Parallel to the secondary side is the capacitor. Actually there are 2 capacitors, one is added in parallel via the witch. Adjusting the capacity allows to select the resonance. So it is necessary to readjust it of the position in the band is changed. The hot end of the transformer goes to the whip.

Teleskopstab
X

die von mir heraus gemessene Schaltung


Teleskopstab

Schaltung



 

© OE1IAH 2019ff site wide page calls since 2019-06-09: 7.370.326

published on: 2024 07 11